MBF-80U24-M40-S

MBF-80U24-M40-S
MBF-80U24-M40-S

Brake, 摩擦, Metric Brake, MBF系列-80, 200 毫米 Outside Diameter, 40 毫米 Bore, 24 Vdc, 175 Nm 靜態力矩, Short Hub


  • 這些裝置適用于小批量、大批量和高批量應用。
  • 零側隙設計
  • 靜態或動態嚙合
  • 安裝簡單
  • 高效節能
  • 經濟成本
  • 可用“現狀”或定制
  • RoHS認證

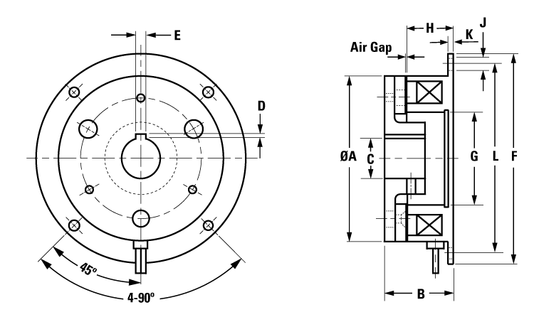
Dimensions

dimensions
尺寸價值
[A]200 毫米
[B]50.5 毫米
[C] Hub ID Ø, Min/Max40 毫米 
[D] 最大值3 mm 
[E] 最大值12 mm 
[F]230 毫米
[G]100 毫米
[H]30 毫米
[J]9.5 毫米
[K]5.1 毫米
[L]215 毫米

Specifications

Specifications價值
(CB) [A] ODShort Hub 
(CB) [A] ODHolding 
(CB) [A] ODBrake 
(CB) [A] OD80 
Voltage24 Vdc 
Weight7.1 kg
材質鋼  

Performance

Performance價值
靜態力矩175 Nm

Get Quote

*Please fill out the information below so we can best assist you: