105-10-014
Can't find what you're looking for? Go to the Product Selector
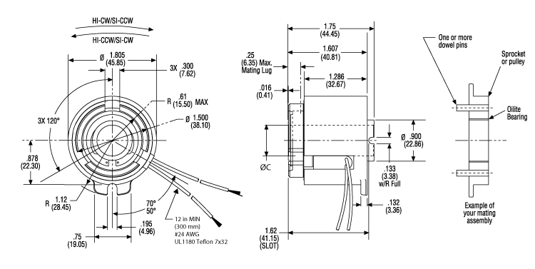
Clutch, MAC45HICWSICCW24DC.62B, 扭簧, High Performance Clutch, MAC-45, 輪轂輸入 CW / 軸輸入 CCW Rotation, 輪轂輸入/軸輸入, 0.6260 / 0.6295 英寸 Bore, 24 Vdc, 150 in-lbs 靜態力矩
- 響應時間,全速通電時:最大150ms,標稱40ms
- 超出行業壽命要求,只有很小的循環變動
- 密閉結構可有效消除污染
- 電氣驅動的簡單控制界面
- 帶內置潤滑脂的增強聚醚酰亞胺
- 輪轂輸入或者軸輸入
- 脫開時輸出飛輪
- RoHS認證
