101-6-0096
Can't find what you're looking for? Go to the Product Selector
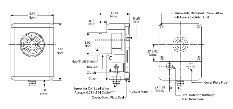
離合器制動器, Dust Cover, Aluminum, Super CB-6
- 環保設計鑄鋁外殼可保護CB-6、Super CB-6或者SAC-6離合器不受室內和室外危害影響,例如掉落的污垢、非腐蝕性液體、粉塵、雨水、雨夾雪和雪。
- 堅固的鑄鋁結構
- 提供NEMA 3和12防護等級
- 可隨時安裝
- 更安靜的離合器運行
- USDA認證黑色粉末涂層油漆表面
- 一個包括封閉離合器所需全部部件和硬件的套裝。
